В наличии
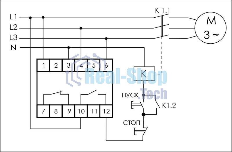
Реле контроля фаз CZF-B (3х400/230+N 8А 1перекл. IP20 монтаж на DIN-рейке) F&F EA04.001.002
- Производитель: Евроавтоматика F&F
- Код Товара: 9957557
.. Еще
-
Цена:
1 520р.
- Просмотренные товары: 3
